特種鋼螺栓斷裂分析
六方螺栓,材質為35CrMo,強度級別為10.9級,規格為M30,表面鍍鋅,在安裝時斷裂。
試驗過程與結果
斷裂螺栓于螺紋收尾的桿部與螺紋連接處發生斷裂。斷裂件宏觀形貌見圖13-113。
圖13-113 斷裂螺栓形貌
螺栓斷裂之后斷口沒有受到有效保護,腐蝕較嚴重,桿部斷口宏觀形貌,見圖13-114;螺紋部分的斷口宏觀形貌,見圖13-115。
圖13-114 桿部斷口形貌 圖13-115 螺紋部分斷口形貌
掃描電鏡觀察,斷口粗糙,裂紋源區位于斷口的外周邊,周邊存在眾多的臺階花樣,表明斷裂起始位置屬多源性,斷口心部微觀形貌為解理和準解理,斷口均屬脆性斷口。
斷口心部微觀形貌,見圖13-116;
斷口邊沿微觀形貌,見圖13-117。
圖13-116 斷口心部微觀形貌 圖13-117 斷口邊沿微觀形貌,
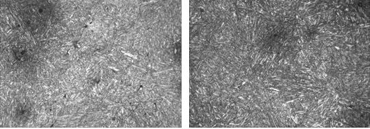
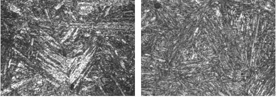
金相組織檢查,取斷裂螺栓制成橫向金相試樣和縱向金相試樣,進行檢查,采用不同的放大倍數觀察,組織均粗大,為粗大的回火索氏體。
橫向金相試樣的心部和邊緣進行組織,見圖13-118、圖13-119。
縱向金相試樣的心部和邊緣進行組織,見圖13-120、圖13-121。
圖13-118 心部金相組織 500× 圖13-119 邊緣金相組織 500×
圖13-120 心部金相組織 100× 圖13-121 邊緣金相組織 100×
斷裂螺栓經化學成份分析,分析結果,材料為35CrMo,符合標準要求。
分析與討論
斷裂螺栓的橫向組織、縱向組織均顯粗大,為粗大回火索氏體,極大地降低材料的斷裂抗力和韌性。
該批螺栓存在組織粗大,使螺栓強度和塑性降低,脆性增加,在正常的裝配應力作用下發生脆性斷裂。
組織粗大的原因是由于過熱,該批螺栓因熱處理工藝不當,溫度過高所造成。
該批螺栓熱處理工藝不當,溫度過高,造成螺栓過熱,組織粗大,使螺栓強度和塑性降低,脆性增加,在裝配應力作用下螺栓發生脆性斷裂。
結論與啟示
(1)螺栓過熱、組織粗大,在裝配應力作用下發生脆性斷裂。
(2)由于該批螺栓熱處理工藝不當,溫度過高,造成螺栓過熱,組織粗大。
(3)螺栓熱處理時要防止溫度過高,避免螺栓過熱、造成組織粗大。






浙公網安備 33042402000106號 a>

