特種彈性墊圈硬度與彈性組織的關系
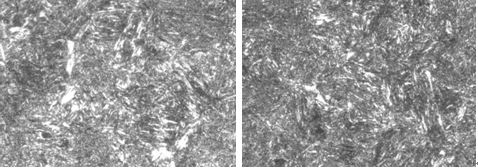
65Mn鋼彈性墊圈檢測產品硬度偏低,硬度偏低的原因是組織不正常;正常組織應為回火屈氏體。不正常組織為回火屈氏體+鐵素體的混合組織,見圖8-27和圖8-28。
圖8-27 硬度偏低的不正常組織 500× 圖8-28 硬度偏低的不正常組織 500×

下一篇:T12過燒緊固件熱處理工藝金相分析
上一篇:高溫合金緊固件螺母粗金組織分析

65Mn鋼彈性墊圈檢測產品硬度偏低,硬度偏低的原因是組織不正常;正常組織應為回火屈氏體。不正常組織為回火屈氏體+鐵素體的混合組織,見圖8-27和圖8-28。
圖8-27 硬度偏低的不正常組織 500× 圖8-28 硬度偏低的不正常組織 500×
