螺栓斷口裂紋淬火分析
(1)SWRCH35K鋼六角頭螺栓熱處理缺陷斷裂的斷口形貌
螺栓安裝時斷裂,斷口左側有一圓弧形區域,表面銹蝕嚴重,該區域約占整個斷面面積的二分之一。斷面右側為一斜斷面,呈金屬色。斷面能譜分析,銹蝕圓弧處氧含量較高,該裂紋可確定為淬火裂紋,見圖9-61和圖9-62。
圖9-61 斷面掃描微觀形貌形貌 圖9-62 氧化圓弧區微觀形貌
(2)35K鋼六角頭螺栓熱處理缺陷斷裂的斷口形貌
六角頭螺栓表面鍍黃鋅,在使用中斷裂。斷口位于頭下,斷口部分斷面因銹蝕顏色較深,其左側部分斷口顏色較淺,為纖維狀新鮮斷口,呈金屬本色。顏色較深的銹蝕斷面發現Zn、Cl等元素,說明表面處理前已有裂紋,裂紋為熱處理裂紋,見圖9-63和圖9-64。
圖9-63斷面低倍形貌 圖9-64 斷面微觀形貌
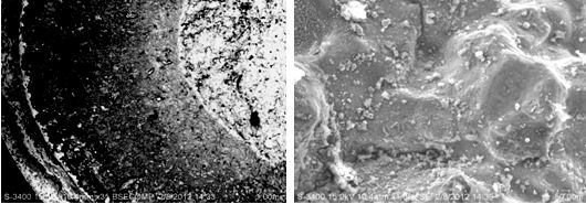
(3)35鋼六角頭螺栓熱處理缺陷斷裂的斷口形貌
鍍鋅螺栓在安裝扭矩值不大的情況下在近頭下圓角處斷裂,斷口一側呈平滑月牙狀區域,有褐色物質覆蓋,有被腐蝕的晶界和晶間裂紋,無明顯塑性變形,微觀形貌以韌窩為主。能譜分析有鋅元素,表明鍍鋅前裂紋已存在,電鍍時含鋅溶液浸入所致,該裂紋可確定為淬火裂紋,見圖9-65、圖9-66、圖9-67和圖9-68。
(4)65Mn鋼鞍形彈簧墊圈因回火脆性斷裂斷口形貌
彈簧墊圈安裝時墊圈開裂,斷口微觀形貌呈解理/準解理特征,伴有少量韌窩和沿晶二次裂紋。65Mn鋼淬火后在380℃左右回火易產生回火脆性,斷口微觀形貌說明墊圈發生回火脆性斷裂,見圖9-69。
圖9-69 回火脆性斷裂斷口形貌
(5)1Cr11Ni2W2MoV不銹鋼螺釘斷口形貌
螺釘服役時承受拉伸扭轉復合載荷,斷口在圓周邊緣應力集中處形核,由圓周向中心擴展,宏觀塑變明顯,局部存在沿晶斷裂區,最終在近中心位置形成跨螺紋斷裂臺階。該斷口存在有一定面積的沿晶斷裂區,局部晶界已弱化存在脆性斷裂區,可能是回火脆性造成,見圖9-70、圖9-71和圖9-72。





浙公網安備 33042402000106號 a>

