金屬金相缺陷形貌分析介紹
在金相試驗室內充斥著金屬材料的各種缺陷問題,不同類型組織之間有著許多典型的缺陷類型。下面我們就此進行一一盤點。
45熱軋鋼低倍裂紋組織
熱軋低倍試驗心部存在裂紋,部分魏氏組織

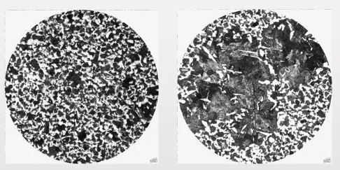
40Cr正火過熱組織

40Cr鍛造過熱晶界氧化 (花鍵軸)

鋁合金晶界付熔過燒三角晶叉

白點斷口

材料MnS
Mns沿鍛造方向延伸
H13模具鋼夾雜物裂紋
非金屬夾雜物引起的鍛造裂紋
38CrMOAI
鋼錠制成鍛圓,,非金屬夾雜,發生嚴重開裂。

夾雜物型縮孔
夾雜物縮孔形貌

夾渣(硅酸鹽)
夾渣硅鹽酸表面裂紋






浙公網安備 33042402000106號 a>

