鋼轉軸壁斷裂原因失效分析
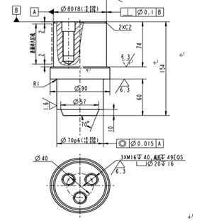
車輛轉向機構的轉向臂下端軸, 規格為φ80×154,材質為40Cr,整體調質加表面淬火,表面發黑處理,該軸為車輛轉向機構一部分,工作時承受交變載荷,使用5731h后發生斷裂。
故障件斷口檢查,斷面經清洗后的宏觀形貌,可見斷口位于臺階與軸過渡的圓角處,斷口無明顯塑性變形痕跡,斷面左側斷面較為平整,表面有明顯的疲勞條帶,為典型疲勞斷口形貌。故障件斷口宏觀形貌,見圖11-211。
疲勞源位于斷口邊緣,呈彎曲載荷下的疲勞源特征,將斷口面分為A、B、C、D四個區域, 從斷口宏觀形貌分析,A區應為疲勞源區,B區為疲勞裂紋擴展區,C區為裂紋快速擴展區,D區為剪切斷面,為終斷區。
圖11-212為斷面A區微觀形貌,可見斷口表面有磨損痕跡。
圖11-213所示為斷口外側臺階與軸過渡的圓角,可見明顯的加工刀痕和孔洞缺陷。

圖11-211 軸斷口宏觀形貌
圖11-212 斷面A區微觀形貌 圖11-213 斷面A區微觀形貌
圖11-214所示為斷面B區微觀形貌,可見明顯的疲勞條帶,為疲勞裂紋擴展區。
圖11-215所示為斷面C區微觀形貌,可見明顯的準解理形貌,伴隨晶間二次裂紋,為裂紋快速擴展區。
圖11-214 斷面B區疲勞條帶形貌 圖11-215 斷面C區微觀形貌
圖11-216所示為斷面D區微觀形貌,可見大量韌窩,為瞬斷區。
圖11-217所示為斷面D區微觀形貌,發現斷面存在較孔洞缺陷,可能是顯微疏松和夾雜。。

圖11-216斷面D區微觀形貌 圖11-217斷面孔洞形貌
在斷口附近截取金相試樣觀察:
圖11-218為試樣圓角表面組織,組織為回火索氏體+輕微魏氏組織。
圖11-219試樣心部組織;組織為回火索氏體+較嚴重魏氏組織,以及網狀鐵素體,金相組織表明該故障件已過熱。

圖11-218 圓角處表面金相組織 圖11-219 心部金相組織
故障件圓角外形及表面金相組織檢查,可見圓角過渡不圓滑,未達到設計要求,表面未見脫碳或滲碳跡象,圓角外形及表面金相組織,圖11-220所示。
對故障軸進行宏觀金相檢測,根據《GB/T 1979-2001 結構鋼低倍組織缺陷評級圖》規定,判定為中心疏松4級,如圖11-221所示,
故障軸硬度試驗結果,心部硬度263、253、260HV10,技術要求為274-327HV10,心部由于組織異常,硬度偏低。
采用直讀光譜法對失效樣品進行化學成分分析,結果符合《GB/T 3077-1999》標準對40Cr鋼化學成分的要求。

圖11-220 故障軸圓角處金相組織 圖11-221 故障軸低倍金相
故障軸構件圖紙及斷裂位置、受力情況位置示意圖如圖11-222、圖11-223所示。

圖11-222失效構件圖紙

圖11-223 故障軸斷裂位置、受力情況位置示意圖
斷裂試樣表面硬度、化學成分符合技術要求。金相組織存在異常,表明試樣熱處理過程不符合工藝要求,存在過熱情況。宏觀金相顯示試樣內部存在疏松,但這些不是引起構件斷裂的根本原因。
斷口形貌顯示,斷面存在明顯的疲勞條帶,呈典型疲勞斷裂特征;疲勞源位于臺階過渡的圓角處,圓角處為應力集中處;疲勞源區位于臺階與軸過渡的圓角區域。疲勞裂紋擴展區面積約占整個斷面面積的二分之一。
根據圖紙可知,圓角半徑設計值為1mm,但是金相檢測表明圓角過渡并不圓滑、順暢,未達到設計要求,導致應力集中明顯,同時圓角處的加工刀痕及鑄造缺陷加劇了應力集中,這是引起構件疲勞斷裂的根本原因。
疲勞裂紋源在應力集中處產生,由于構件中心疏松嚴重,金相組織異常,存在魏氏組織等缺陷,使疲勞裂紋容易擴展,轉向臂下端軸在交變載荷作用下疲勞進一步擴展,最后疲勞斷裂。
根據以上分析,可以得出如下結論與啟示:
(1)故障件的斷裂性質是疲勞斷裂。
(2)引起疲勞斷裂的原因是臺階過渡處圓角未達到設計要求,機加工有明顯刀痕,以及鑄造缺陷等引起斷裂件局部位置應力集中,應力集中處產生疲勞源,由于故障件存在中心疏松和在魏氏組織,使疲勞裂紋容易擴展,在交變載荷作用下展最后疲勞斷裂。
(3)優化軸與臺階過渡處的圓角設計,加工后進行尺寸測量,保證加工精度滿足設計要求,
(4)機加工后增加噴丸處理,增加構件的抗疲勞能力。
(5)應加強鑄造及熱處理環節的質量控制,使鑄造質量和熱處理質量滿足技術要求。





浙公網安備 33042402000106號 a>

