車輪轂螺栓斷裂原因分析
35CrMo車輪轂螺栓,為某型號乘用車的右后輪轂螺栓,該車輛服役約一年左右,行駛里程約五萬公里,約四萬多公里時換過一次輪胎;車輛在高速行駛時螺栓斷裂,導致輪轂脫落造成事故。
后輪轂螺栓斷裂,一件取出,另一件卡在安裝孔中,有一段尚未取出,取出另一段螺栓的斷裂殘件。螺栓在后輪轂的安裝位置及卡在安裝孔中不能全部取出的安裝位置形貌側面,見圖11-57;正面見圖11-58.
圖11-57 安裝孔側面的螺栓殘件位置 圖11-58 安裝孔正面的螺栓殘件位置
圖11-59為兩枚送檢螺栓殘件宏觀形貌,可見螺栓表面為電鍍鋅處理,兩斷裂件斷面均已較嚴重銹蝕,一號試樣左側可見疲勞條帶。
圖11-59 送檢的兩枚螺栓宏觀形貌
圖11-60所示為一號試樣斷口側面宏觀形貌,可見斷口位于螺紋收尾位置,邊緣有塑性變形痕跡,側面鍍鋅層磨損,并伴有較嚴重的銹蝕。
圖11-61所示為二號試樣斷口側面宏觀形貌,可見斷口位于螺紋收尾的桿部圓角位置,斷口有少量塑性變形痕跡,側面鍍鋅層完好。
圖11-60 一號試樣斷口側面形貌 圖11-61 二號試樣斷口側面形貌
采用掃描電鏡對斷口觀察:
圖11-62所示為一號試樣斷面宏觀形貌,可見有疲勞條帶呈疲勞斷裂特征,裂紋源區,疲勞裂紋擴展區,以及終斷區特征。
圖11-63所示為一號試樣微觀形貌,可見犁溝狀擠壓磨損痕跡;
圖11-64所示為一號試樣斷面疲勞擴展區微觀形貌,可見疲勞條帶,條帶間距約3μm;
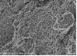
圖11-65所示為一號試樣斷面終斷區微觀形貌,可見淺韌窩及準解理形貌。
圖11-66顯示二號試樣斷面宏觀形貌,疲勞條帶不明顯,邊緣存在一系列“輪輻狀”臺階。
圖11-67為二號試樣疲勞擴展區微觀形貌,可見間距約2μm系列疲勞條帶,結合斷口邊緣“輪輻狀”臺階,可知為多源疲勞斷裂。
圖11-68為二號試樣終斷區等軸韌窩形貌。
圖11-62 一號樣斷面宏觀形貌 圖11-63一號樣斷面微觀形貌
圖11-64一號樣斷面擴展器微觀形貌 圖11-65 一號樣終斷區微觀形貌
圖11-66 二號樣斷面宏觀形貌 圖11-67二號樣斷面擴展區微觀形貌
圖11-68 斷面終斷區微觀形貌
金相檢測,圖11-69所示為一號試樣心部金相組織,為回火索氏體及珠光體。圖11-70所示一號斷裂螺栓螺紋部位金相組織,表面無折疊缺陷和其他缺陷。 圖11-71所示一號斷裂螺栓桿部圓角部位的縱向剖面,可見圓角處碳勢正常,流線順暢,經測量,圓角半徑約為4mm(二號螺栓圓角已破壞,無法測量,只能借鑒一號螺栓的測量結果),另外,從圖中還可看出圓角法向方向有一條約1.5mm的裂紋。
圖11-72所示為一號失效螺栓非金屬夾雜物形貌,根據《GB/T 10561-2005 鋼中非金屬夾雜物含量的測定標準》可評定為D類(球狀氧化物夾雜,細系)1.5級,DS類(單顆球粒狀夾雜物)0.5級。
圖11-69 一號樣心部金相組織 圖11-70一號樣表面金相組織
圖11-71 一號樣圓角縱向剖面 圖11-72一號樣非金屬夾雜物
硬度檢測,對一號樣斷裂螺栓進行硬度試驗,檢測結果,心部硬度 : 358~360 HV10,,螺栓硬度為標準要求的上限,標準中對9.8級螺栓硬度的要求為290~360 HV10。
采用直讀光譜法對一號螺栓進行化學成分分析,螺栓材料為35CrMo。
一號樣螺栓斷面有大面積疲勞條帶,裂紋擴展區疲勞條帶明顯,屬疲勞斷裂,疲勞源位于螺紋收尾處。二號送檢螺栓斷面未見疲勞條帶,但微觀形貌顯示裂紋擴展區有大量疲勞條帶,結合斷口邊緣輪輻狀臺階形貌,可判定為多源疲勞斷裂,疲勞源位于桿部圓角處,為應力集中部位。
疲勞斷裂是承受動載荷螺栓的常見失效形式之一,輪轂螺栓在車輛行駛過程中受到交變載荷作用,具備了螺栓疲勞斷裂的服役載荷特征。
引起疲勞斷裂的原因一般為螺栓表面缺陷(如脫碳、折疊、顯微裂紋等)、以及應力集中區(如圓角半徑過小)或預緊力不規范等(安裝過松、過緊都可能誘發疲勞斷裂)。從上述檢測分析可知,斷裂的一號螺栓表面未發現折疊、脫碳等缺陷,斷口特征表現為單源疲勞,疲勞源側面有磕碰變形痕跡,由此可推斷一號螺栓是在車輛運行過程中松動而引起的疲勞斷裂。
二號螺栓斷口特征表現為多源疲勞,疲勞源位于圓角處,為應力集中區,初步判定二號螺栓的疲勞斷裂是由于安裝預緊力過大而引起。
根據以上分析,可以得出如下結論與啟示:
(1) 螺栓的斷裂性質是疲勞斷裂。
(2) 兩件螺栓雖然都為疲勞斷裂但一件為松動而引起的疲勞斷裂;另一件為安裝預緊力過大而引起的疲勞斷裂。
(3) 車輛螺栓安裝的過緊或過松,都會在運行過程中產生質量隱患。
(4) 車輛螺栓安裝時要控制安裝預緊力,防止出現過緊或過松現象。






浙公網安備 33042402000106號 a>

