內六角頭螺栓,規格M20×95,強度12.9級,材料ML40Cr鋼,表面發黑處理。該批螺栓安裝扭矩為490N•m,安裝24h后斷裂,期間未接觸腐蝕性介質。
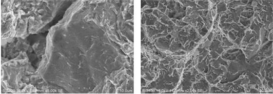
取3件螺栓斷裂件進行分析,三件斷裂件均于頭下斷裂,斷面都已銹蝕嚴重,見圖12-16。
圖12-16 斷裂螺栓斷口宏觀形貌
(1)斷裂面掃描電鏡分析
斷裂位于頭下圓角處,未見宏觀塑性變形,斷面有放射性條紋,分別收斂于左右兩側邊緣位置。
圖12-17為斷面低倍形貌,可見發散條紋收斂于邊緣處,判斷為裂紋形核源區
圖12-18、圖12-19所示為裂紋源區微觀形貌,可見冰糖狀沿晶開裂,存在晶間二次裂紋,晶面有少量雞爪形撕裂紋
圖12-20所示斷面中心區域電鏡照片,表現為準解理形貌。
對斷面附近圓角處進行掃描電鏡能譜分析,結果顯示:
圖12-21為斷面附近圓角處的掃描電鏡照片:圖12-22對斷面附近圓角處的能譜分析結果,圓角處存在斑駁的磷化層
圖12-17 斷面宏觀形貌 圖12-18 斷裂源區微觀形貌
圖12-19 斷裂源區微觀形貌 圖12-20 斷面中心區域微觀形貌
圖12-21 斷裂源區微觀形貌
圖12-22 螺栓掃描電鏡能譜分析
(2)螺栓材質化學分析
采用直讀光譜法對螺栓進行成分分析,分析結果符合ML40Cr鋼成分要求。
(3)氫含量測定
在斷面附近取樣進行氫含量檢測,檢測結果:氫含量為8.47ppm。
(4)金相分析
將螺栓制成金相試樣,用4%硝酸酒精溶液腐蝕。
螺栓表面金相組織,表面及斷面碳勢均正常無脫碳(其中圖上方的白點為鑲嵌縫異物),見圖12-23所示,。
圖12-24所示為螺栓心部金相組織,為回火屈氏體。
圖12-23 螺栓表面金相組織 圖12-24 螺栓心部金相組織
(5)硬度檢測
對螺栓進行表面硬度梯度及心部硬度檢測,檢測結果,螺栓硬度符合標準《GB/T 3098.1-2010》的相關規定。
該批螺栓各項力學性能符合 《GB/T 3098.1-2010》要求,螺栓表面有明顯的脫碳現象,其顯微組織符合標準要求。
螺栓斷裂起始位置位于邊緣部位,該區域斷面為沿晶斷裂形貌,晶面有雞爪痕撕裂紋,并伴有晶間二次裂紋,表現為氫致延遲斷裂特征;螺栓氫含量檢測結果為8.47ppm,對于12.9級的高強度螺栓,已存在很大的氫脆風險。
斷裂面掃描電鏡分析和螺栓氫含量檢測結果,說明螺栓斷裂氫致延遲斷裂。
氫致延遲斷裂是緊固件產品失效機理中比較常見的一種,它是由于氫滲入金屬內部導致的損傷,無征兆,具有突發性。而且,氫在材料中的分布不均勻,通常會在應力集中部位聚集導致局部濃度較高。螺栓頭下圓角處應力集中,會導致氫在此處富集,在裝配應力作用下,螺栓頭下圓處首先產生氫致微裂紋,微裂紋的尖端會進一步導致應力集中,從而使裂紋不斷擴展,發生氫致延遲斷裂。
螺栓氫含量檢測結果,說明螺栓加工過程有氫滲入,或滲氫后沒有除氫,造成螺栓氫含量較高,在安裝應力作用下,發生氫致延遲斷裂。
根據以上分析,可以得出如下結論與啟示:
(1) 螺栓的斷裂性質是氫致延遲斷裂。
(2) 螺栓加工過程有氫滲入,滲氫后沒有及時除氫,滲氫螺栓在應力作用下發生氫致延遲斷裂。
(3) 螺栓加工過程要避免氫滲入,滲氫后要及時除氫處理。


